SAM-M10Q GPS Breakout Board



Product Description
Featuring an integrated omnidirectional patch-antenna module and u-blox M10 GNSS platform, the SAM-M10Q Breakout Board delivers a multi-constellation GPS receiver without the need for an external antenna. Supporting four GNSS constellations, the SAM-M10Q offers increased RF sensitivity to improve accuracy in non-line-of-sight scenarios. The SAM-M10Q displays excellent out-band jamming immunity and also detects and reports jamming and spoofing attempts. The SAM-M10Q offers ultra-low power consumption, high update rates, and precise timing. The Breakout Board’s integrated rechargeable battery provides up to 4 hours of backup power for hot starts and maintaining almanac data.
Key Features
- Multi-constellation GNSS support: Compatible with GPS L1 C/A, QZSS L1 C/A L1S, GLONASS L1OF, BeiDou B1C, and Galileo E1B/C
- Support for augmentation services: Support for many regional SBAS systems (e.g. WAAS, EGNOS, etc…) with selective exclusion
- High accuracy: 1.5m horizontal position accuracy
- Fast acquisition: Cold start time-to-fix of 23 seconds, hot start of just 1 second
- High update rates: Max 18Hz with one GNSS constellation, max 5Hz with four GNSS
- Low power consumption: 10mA tracking (continuous), 5mA tracking (power save mode)
- Spoofing detection: Anti-jamming and anti-spoofing features
- Built-in chip antenna: No external antenna required
- Backup battery: 3V, 1.5 mAh rechargeable battery provides up to 4 hours backup power
- 6 pin 1mm pitch connector Easy 5V tolerant I²C or UART connection without soldering
- 3.3V or 5V operation: Compatible with modern microcontrollers
- Compact size: 25mm x 26mm package
- High altitude/velocity: Max altitude 80,000m, max velocity 500m/s
- Precise timing: Time pulse accuracy of 30ns (RMS)
- Lead-Free
The SAM-M10Q includes a built-in chip antenna and is compatible with the L1 band on all five GNSS constellations. Whether you’re building a drone navigation system, implementing asset tracking, or developing precise timing applications, the SAM-M10Q delivers reliable, accurate positioning with minimal power consumption.
Includes two onboard LEDs: The PWR LED lights up when power is connected and the PPS LED flashes with the PPS signal (e.g. time pulse output).
Pinout
| Pin | I/O | Description |
|---|---|---|
| 3V3 | O | 3.3V Direct Chip Power Supply Output |
| GND | - | Ground |
| RX | I | UART Receive (5V tolerant logic) (configurable) |
| TX | O | UART Transmit (5V tolerant logic) (configurable) |
| VCC | I | Power Supply Input (3.3V-5V) |
| PPS | O | Time Pulse Output (configurable) |
| RESET | I | Reset Input (active low) |
| SAFE | I | Safe Boot Input (active low) |
| INT | I/O | External Interrupt Input (configurable) |
| SDA | I/O | I²C Data (5V tolerant logic) (configurable) |
| SCL | I | I²C Clock (5V tolerant logic) (configurable) |
Jumpers
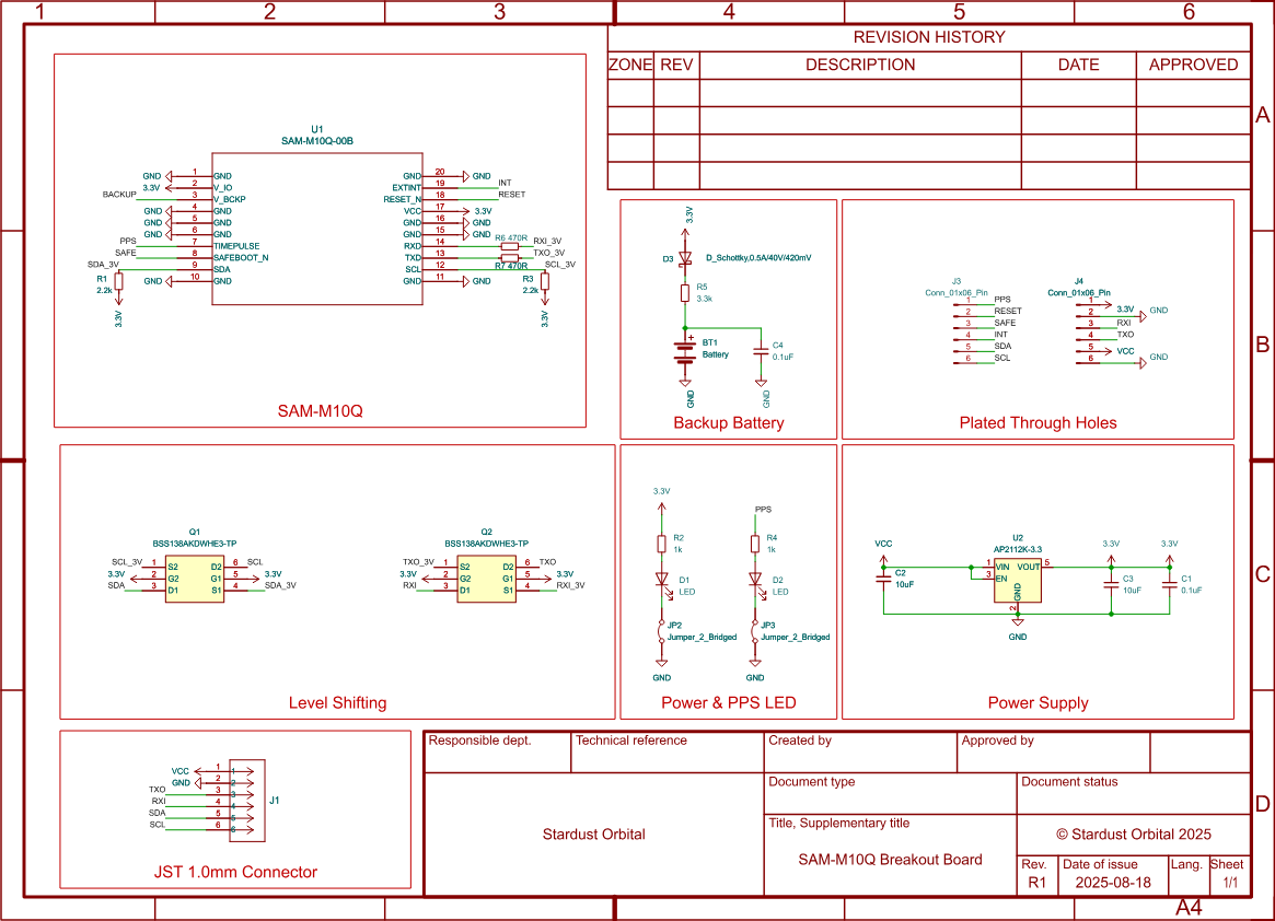
The SAM-M10Q breakout board includes two jumpers that control the onboard LEDs. These jumpers allow you to disable the LEDs to reduce power consumption in battery-powered applications. To disable the LEDs cut the jumpers labeled for each LED (PPS or PWR). See image for jumper identification:
Voltage Compatibility
The SAM-M10Q Breakout Board can operate with both a 3.3V or a 5V supply on pin VCC. The board includes level shifters for 5V compatability on some pins, however others are not 5V tolerant and require external level shifters for use with 5V logic.
Power Supply
- Power Input (VCC): 3.3V - 5V (onboard regulator provides 3.3V to the module)
5V System Compatibility
5V Tolerant Pins (Includes onboard level shifters for 5V logic):
- VCC (Power Input)
- SDA (I²C data)
- SCL (I²C clock)
- TX (UART transmit)
- RX (UART receive)
NOT 5V Tolerant (Use external level shifter with 5V logic):
- INT (Interrupt Pin)
- SAFE (Safe Boot Pin)
- RST (Reset Pin)
- PPS (Time Pulse Output Pin)
Communication Interfaces
Communication interfaces are configured on the receiver via the UBX-CFG messages. By default, both I²C and UART interfaces are enabled for input and output messages.
I²C Communication
- I²C Address: 0x42 (fixed address)
- Clock Speed: Standard 100 kHz and Fast Mode 400 kHz
- Pull-up Resistors: Onboard 2.2kΩ pull-ups included
- Connector: 6-pin 1mm pitch JST connector for I²C and UART
UART Communication
- Default Baud Rate: 9600 bps (configurable up to 921600)
- Data Format: 8 data bits, no parity, 1 stop bit
- Protocol: Standard NMEA 0183 and u-blox UBX binary protocols
- Connector: 6-pin 1mm pitch JST connector for I²C and UART
Backup Battery
The board includes a rechargeable 3V, 1.5 mAh backup battery that is connected to the SAM-M10Q’s V_BCKP pin. The battery:
- Automatically recharges when main power is applied
- Maintains satellite orbital data when main power is removed (for 1s time-to-fix hot start capability)
- Provides nearly 4 hours of backup operation
Interrupt Functionality
The INT pin is connected to the SAM-M10Q’s EXTINT pin. This can be used as an external interrupt for many features:
- On/off operation
- Wakeup source for power save mode
- Frequency and time assistance to improve cold start speed
- Time mark - outputting the time at which a pulse was detected on the pin
If not used, the pin can also be programmed for other features.
TXREADY Functionality
The receiver includes a TXREADY functionality that can be used to indicate when it has data to send. The TXREADY signal can be configured on any of the following pins:
- RX
- TX
- SDA
- SCL
- PPS
- INT
Signal polarity, data threshold, communication interface are all configurable.
Time Pulse (PPS) Output
The PPS pin is connected to the SAM-M10Q’s TIMEPULSE pin and provides a precise timing signal with configurable frequency, pulse width, polarity, and more. If not used, the pin can also be programmed for other features.
Software Libraries and Examples
STRDC SDK
To expedite prototyping, STRDC has created a GNSS-UBLOX library included in our STRDC SDK. The library includes many examples that may be used to start prototyping or explore the full functionality of the SAM-M10Q. In addition to the library, the SDK also includes a HAL for the Teensy4.1 (Teensyduino) and common drivers for everything needed to communicate with the SAM-M10Q.
u-center2
If a GUI is desired, u-blox offers desktop software (u-center2) for their GNSS products.
- Download: u-blox u-center2
- Features: Complete module configuration, real-time monitoring, logging, satellite mapping, and more
Helpful Notes
- Clear sky view required - GPS/GNSS needs direct line-of-sight to satellites
- Allow warm-up time - The first fix may take several minutes, subsequent fixes (e.g. cold, warm, and hot starts) are much faster
- Power supply stability - Ensure clean, stable power for best performance
- Configuration persistence - Settings can be stored in non-volatile memory
Datasheets and Documentation
Schematic:
Chip Info and Product Datasheets:
- u-blox SAM-M10Q Datasheet
- u-blox SAM-M10Q Integration Manual
- u-blox SAM-M10Q Product Summary
- u-blox SAM-M10Q Product Page
GPS and GNSS Overview:
Store Page:
FAQ
Q: What’s the difference between SAM-M10Q and SAM-M8Q?
A: The SAM-M10Q is the newer generation with approximately 50% lower power consumption, improved accuracy, faster time-to-fix, and support for more GNSS constellations including BeiDou B1C and Galileo E1B/C.
Q: Can I use this module indoors?
A: GPS/GNSS requires a clear view of the sky to function properly. Indoor operation is generally not recommended unless near large windows. Consider using WiFi or cellular positioning for indoor applications.
Q: How long does it take to get a GPS fix?
A: Cold start (no assistance): 23 seconds. Hot start (with backup battery): 1 second. Aided start (with assistance data): 1 second.
Q: Can I use multiple GNSS constellations simultaneously?
A: Yes, the SAM-M10Q can track up to four GNSS constellations simultaneously (GPS, GLONASS, Galileo, BeiDou, QZSS), which improves accuracy and reduces time-to-fix.
Q: How do I improve GPS accuracy?
A: Use multiple GNSS constellations, enable SBAS/DGPS corrections, ensure clear sky view, avoid urban canyons (e.g. buildings), allow proper warm-up time, and consider using averaging or filtering techniques in software.
Q: Why is my GPS not working?
A: Common issues include:
- No clear view of the sky (buildings, trees, indoor use)
- Insufficient warm-up time (wait 30 seconds to several minutes)
- Power supply issues (ensure stable 3-5V power supply)
- Incorrect wiring or communication settings