NEO-M9N GPS Breakout Board



Product Description
Intended for automotive and industrial applications, the NEO-M9N GNSS receiver provides excellent sensitivity and acquisition times. With a SMA connected external antenna, this Breakout Board GPS receiver provides support for up to four GNSS constellations. Additionally, the NEO-M9N detects and reports jamming and spoofing events while also using advanced filtering algorithms to minimize RF interference. The NEO-M9N Breakout Board also includes an integrated rechargeable battery provides backup power for maintaining satellite almanac data and enabling rapid hot starts. Getting started is easy with u-blox u-center configuration software.
Key Features
- Multi-constellation GNSS support: Compatible with GPS L1 C/A, GLONASS L1OF, Galileo E1B/C, and BeiDou B1I
- High accuracy: 2.0m horizontal position accuracy (CEP)
- Fast acquisition: Cold start time-to-fix of 24 seconds, hot start of 2 seconds
- High update rates: Max 25Hz with one GNSS constellation, max 5Hz with four GNSS
- Low power consumption: 23mA tracking (continuous), 8mA tracking (power save mode)
- External antenna connector: SMA connector for improved performance with external antennas
- Backup battery: 3V, 1.5 mAh rechargeable battery provides backup power for hot start capability
- Easy Communication: USB, UART, I²C, and SPI interface options
- 6 pin 1mm pitch connector Easy 5V tolerant I²C, UART, or SPI connection without soldering
- Easy Communication: USB, UART, I²C, and SPI interface options
- 6 pin 1mm pitch connector Easy 5V tolerant I²C, UART, or SPI connection without soldering
- 3.3V or 5V operation: Compatible with modern microcontrollers
- Compact size: Standard Qwiic board form factor
- High altitude/velocity: Max altitude 80,000m, max velocity 500m/s
- Precise timing: Time pulse accuracy of 30ns (RMS)
- Advanced features: Dead reckoning, spoofing detection, jamming indication
- Lead-Free
The NEO-M9N is designed for applications requiring high accuracy and reliability. Whether you’re building precision agriculture equipment, surveying instruments, or autonomous vehicle navigation systems, the NEO-M9N delivers professional-grade positioning performance.
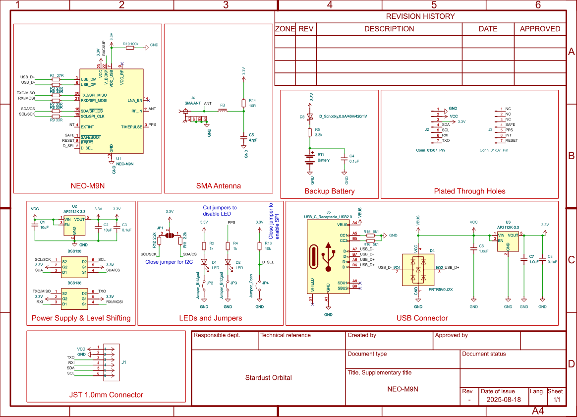
NEO-M9N Includes two onboard LEDs. The LED labeled PWR lights up when power is connected. The LED labeled PPS flashes with a PPS signal when the NEO-M9N has a PPS signal.
Pinout
| Pin | I/O | Description |
|---|---|---|
| 3V3 | O | 3.3V Direct Chip Power Supply Output |
| GND | - | Ground |
| RX | I | UART Receive, SPI MOSI (5V tolerant logic) (configurable) |
| TX | O | UART Transmit, SPI MISO (5V tolerant logic) (configurable) |
| VCC | I | Power Supply Input (3.3V-5V) |
| PPS | O | Time Pulse Output (configurable) |
| RESET | I | Reset Input (active low) |
| SAFE | I | Safe Boot Input (active low) (configurable) |
| INT | O | Interrupt Output (configurable) |
| SDA | I/O | I²C Data, SPI CS (5V tolerant logic) (configurable) |
| SCL | I | I²C Clock, SPI SCK (5V tolerant logic) (configurable) |
Jumpers
The NEO-M9N breakout board includes a number of jumpers for configuration. There are two jumpers for enabling the PPS and PWR LEDs. These jumpers allow you to disable the LEDs to reduce power consumption in battery-powered applications. To disable the LEDs, cut the jumpers labeled for each LED (PPS or PWR).
See the Connections section for a description of the D_SEL and I²C Pullup Jumpers.
Voltage Compatibility
The NEO-M9N Breakout Board can operate with both a 3.3V or a 5V supply on pin VCC. The board includes level shifters for 5V compatability on some pins, however others are not 5V tolerant and require external level shifters for use with 5V logic.
Power Supply
- Power Input (VCC): 3.3V - 5V (onboard regulator provides 3.3V to the module)
5V System Compatibility
5V Tolerant Pins (Includes onboard level shifters for 5V logic):
- VCC (power input)
- SDA (I²C data, SPI Chip CS)
- SCL (I²C clock, SPI SCK)
- TX (UART transmit, SPI MISO)
- RX (UART receive, SPI MOSI)
NOT 5V Tolerant (Use external level shifter with 5V logic):
- INT (interrupt pin)
- SAFE (safe boot pin)
- RST (reset pin)
- PPS (Time Pulse Output Pin)
Communication Interfaces
Communication interfaces are configured on the receiver via the UBX-CFG messages. By default, all interfaces are enabled for input and output messages.
I²C Communication
- I²C Address: 0x42 (fixed address)
- Clock Speed: Standard 100 kHz and Fast Mode 400 kHz
- Pull-up Resistors: Onboard 2.2kΩ pull-ups included
- Connector: 6-pin 1mm pitch JST connector for I²C, UART, and SPI
SPI Communication
- Clock Speed: Maximum clock speed of 5.5 MHz
- Connector: 6-pin 1mm pitch JST connector for I²C, UART, and SPI
UART Communication
- Default Baud Rate: 9600 bps (configurable up to 921600)
- Data Format: 8 data bits, no parity, 1 stop bit
- Protocol: Standard NMEA 0183 and u-blox UBX binary protocols
- Connector: 6-pin 1mm pitch JST connector for I²C, UART, and SPI
USB Communication
- USB 2.0 Full Speed: 12 Mbps
- TVS Diode: ESD protected up to 8 kV
Backup Battery
The board includes a rechargeable 3V, 1.5 mAh backup battery that is connected to the NEO-M9N’s V_BCKP pin. The battery:
- Automatically recharges when main power is applied
- Maintains satellite orbital data when main power is removed (for 2s time-to-fix hot start capability)
- Provides nearly 2 hours of backup operation
Interrupt Functionality
The INT pin is connected to the NEO-M9N’s EXTINT pin. This can be used as an external interrupt for many features:
- On/off operation
- Wakeup source for power save mode
- Frequency and time assistance to improve cold start speed
- Time mark - outputting the time at which a pulse was detected on the pin
If not used, the pin can also be programmed for other features.
TXREADY Functionality
The receiver includes a TXREADY functionality that can be used to indicate when it has data to send. The TXREADY signal can be configured on any of the following pins:
- RX
- TX
- SDA
- SCL
- PPS
- INT
- SAFE
Signal polarity, data threshold, communication interface are all configurable.
Time Pulse (PPS) Output
The PPS pin is connected to the NEO-M9N’s TIMEPULSE pin and provides a precise timing signal with configurable frequency, pulse width, polarity, and more. If not used, the pin can also be programmed for other features.
External Antenna Support
SMA Connector
The NEO-M9N features a SMA connector for external antenna connection:
- Connector Type: SMA
- Impedance: 50Ω
- Frequency Range: L1 band (1575.42 MHz ±1.023 MHz)
- Applications: Improved performance in challenging environments
Antenna Options
- Active antennas: GPS/GNSS antennas with built-in LNA (Low Noise Amplifier)
- Passive antennas: Simple patch or helical antennas for basic applications
- Multi-band antennas: Support for multiple GNSS frequencies
- High-gain antennas: For applications requiring maximum sensitivity
Connections
The communication interface must be selected with the D_SEL and I²C Pullup Jumpers. See the table below for the proper configuration. Note that I²C and UART can be enabled simultaneously. USB is always enabled in hardware.
| Interface | I²C Pullup Jumpers | D_SEL Jumper |
|---|---|---|
| I²C | Bridge | Bridge |
| SPI | Disconnect | Disconnect |
| UART | N/A | Bridge |
| USB | N/A | N/A |
Software Libraries and Examples
STRDC SDK
To expedite prototyping, STRDC has created a GNSS-UBLOX library included in our STRDC SDK. The library includes many examples that may be used to start prototyping or explore the full functionality of the NEO-M9N. In addition to the library, the SDK also includes a HAL for the Teensy4.1 (Teensyduino) and common drivers for everything needed to communicate with the NEO-M9N.
u-center2
If a GUI is desired, u-blox offers desktop software (u-center2) for their GNSS products.
- Download: u-blox u-center2
- Features: Complete module configuration, real-time monitoring, logging, satellite mapping, and more
Helpful Notes
- External antenna required - The NEO-M9N requires an external antenna connected to the SMA connector
- Allow warm-up time - The first fix may take several minutes, subsequent fixes (e.g. cold, warm, and hot starts) are much faster
- Power supply stability - Ensure clean, stable power for best performance
- Antenna placement - Position antenna with clear sky view for optimal performance
- Configuration persistence - Settings can be stored in non-volatile memory
Datasheets and Documentation
Schematic:
Chip Info and Product Datasheets:
- u-blox NEO-M9N Datasheet
- u-blox NEO-M9N Integration Manual
- u-blox NEO-M9N Product Summary
- u-blox NEO-M9N Product Page
GPS and GNSS Overview:
Store Page:
FAQ
Q: What’s the difference between NEO-M9N and SAM-M10Q?
A: The NEO-M9N is from the M9 platform with focus on professional applications and external antenna support. The SAM-M10Q is from the newer M10 platform with lower power consumption and built-in chip antenna.
Q: Do I need an external antenna?
A: The NEO-M9N requires an external antenna connected to the SMA connector. It does not have a built-in chip antenna like the SAM-M10Q.
Q: Can I use this module indoors?
A: GPS/GNSS requires a clear view of the sky to function properly. Indoor operation is possible near windows but will be degraded.
Q: What type of antenna should I use?
A: Use a GPS/GNSS antenna designed for L1 band. Active antennas with built-in amplifiers typically provide better performance, especially in challenging signal environments.
Q: How long does it take to get a GPS fix?
A: Cold start: 24 seconds. Hot start (with backup battery): 2 seconds.
Q: Can I use multiple GNSS constellations simultaneously?
A: Yes, the NEO-M9N can track up to four GNSS constellations simultaneously (GPS, GLONASS, Galileo, BeiDou), which improves accuracy and reduces time-to-fix.